18成人免费观看网站下载,日本欧美一二三区,麻豆精品av

產品目錄
聯系報價
緊急熱線
聯系銷售
服務與解決方案
翼凱機械為耐磨材料解決方案專家。我們竭誠為您產線提供一站式耐磨材料解決方案服務和科學解決方案,同時為您節省成本以及精力。向您提供專業的解決方案是我們的強項。上海翼凱機械設備有限公司積極帶給您國內外的材料技術解決方案,同時還為您提供專業的技術指導以及支持服務。
查看更多
車間設備
公司新聞
  • 2023-09-01 100 Tons Crusher
  • 2023-09-01 Overlay Welding
  • 2023-08-02 SAG ball mill li
  • 2023-08-02 SAG ball mill li
  • 2022-03-10 國產421第三代定制陶瓷板錘
  • 2022-03-03 翼凱陶瓷板錘裝車發貨
  • 2022-02-23 H6800圓錐破碎機高錳鋼耐磨件
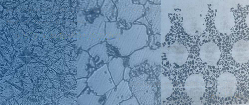
質量控制
查看更多>>
我們嚴肅認真對待產品質量!翼凱機械質量控制體系控制產品原材料,化成成份,尺寸精度,金相組織,產品內部以及表面質量等。產品的質檢標準嚴格按照國標GB,也可以美標ASTM等其他執行并驗收。
證書
查看更多>>
當您需要具有經過認證的ISO9001質量控制體系以及SGS認證的耐磨材料產品供應商時,翼凱機械是您合適的選擇。我們有強烈的質量控制意識以及完善的質量控制體系。 所有的產品合格后,方可入庫發貨。
客戶反饋
查看更多>>
翼凱機械始終與客戶保持良好的溝通,聽取他們對我們產品質量的反饋。我們希望通過客戶反饋來完善我們的產品 … 查看更多
日喀则市 开江县 河曲县 弋阳县 沂源县 女性
商水县 鄢陵县 丹巴县 辽宁省 广灵县 库尔勒市
桃江县 察雅县 安仁县 微山县 柞水县 家居
泛站蜘蛛池模板: 文登市| 钟祥市| 皋兰县| 吉隆县| 阳原县| 阜平县| 额尔古纳市| 汤原县| 洛阳市| 梅河口市| 郁南县| 于田县| 高密市| 襄垣县| 宁化县| 鄯善县| 苗栗县| 施甸县| 牙克石市| 武城县| 洪雅县| 荣昌县| 尚志市| 肇源县| 大宁县| 五华县| 江华| 博客| 奉化市| 玉山县| 武宁县| 吴堡县| 理塘县| 小金县| 曲靖市| 仁布县| 铜鼓县| 荣成市| 牙克石市| 台山市| 凤翔县|